Технологический процесс удаления хвостов в бурении

удаление хвостов в бурении

Удаление хвостов в бурении имеет большое значение в отрасли нефти. В последние годы, по мере того как страна повышает усилия по охране окружающей среды и концепция охраны окружающей среды непрерывно глубоко проникнет в сердца людей, как правильно и разумно обрабатывать хвосты, производящие в процесса разработки минеральных ресурсов, это становится первоочередной серьёзной задачей перед горнодобывающими предприятиями. 

Ниже описывается широко используемый технологический процесс удаления хвостов в бурении.

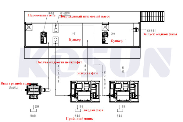
После того, как хвосты войдут в хвостохранилище, потом насос вколотит в илоотделитель. Здесь делятся на две части: 

 1. Доннный приток из илоотделителя входит в прессовочный фильтр или в тонкое вибросито, после обезвоживания образуется сухое вещество, из-за этого он может реализовать повторное использование.

 2. Слив из илоотделителя через центрифугу формируется в твёрдую фазу и жидкую фазу.

Для жидкой фазы – повторное использование плутония, для твёрдой фазы -образовать сухое вещество и реализовать повторное использование.

Технологический процесс удаления хвостов в бурении, как показан ниже. 

Технологический процесс удаления хвостов.jpg

Схема расположения удаления хвостов в бурении, как показана ниже.

Схема расположения удаления хвостов.jpg

Компания KOSUN является один из крупных производственников оборудования циркуляционных систем буровых установок  в Китае, и она уделяем внимание  утилизацию отходов бурения. В последние дни мы посвятим свои силы исследованию технологического процесса удаления хвостов в бурении.

Оставьте комментарий

Ваш адрес email не будет опубликован. Обязательные поля помечены *